11-08-2018
干货 | 电压转换的级联和混合分不清?看几个示例就明白了
对于需要从高输入电压转换到极低输出电压的应用,有不同的解决方案。
一个有趣的例子是从48 V转换到3.3 V。这样的规格不仅在信息技术市场的服务器应用中很常见,在电信应用中同样常见。
如果将一个降压转换器(降压器)用于此单一转换步骤,如图 1 所示,会出现小占空比的问题。

图1. 通过单一转换步骤将电压从48 V降至3.3 V
占空比反映导通时间(当主 开关导通时)和断开时间(当主开关断开时)之间的关系。降压转换器的占空比由以下公式定义:

当输入电压为48 V而输出电压为3.3 V时,占空比约为7%。
这意味着在1 MHz(每个开关周期为1000 ns)的开关频率下, Q1开关的导通时间仅有70 ns。然后,Q1开关断开930 ns,Q2导通。对于这样的电路,必须选择允许最小导通时间为70 ns或更短的开关稳压器。如果选择这样一种器件,又会有另一个挑战。
通常,当以非常小的占空比运行时,降压调节器的转换效率会降低。这是因为可用来在电感中存储能量的时间非常短。电感器需要在较长的关断时间内提供能量。这通常会导致电路中的峰值电流非常高。为了降低这些电流,L1的电感需要相对较大。这是由于在导通时间内,一个大电压差会施加于图1 的L1两端。
在这个例子中,导通时间内电感两端的电压约为44.7 V,开关节点一侧的电压为48 V,输出端电压为3.3 V。电感电流通过以下公式计算:

如果电感两端有高电压,在电感不变的情况下,电感中的电流会在固定时间内上升。为了减小电感峰值电流,需要选择较高的电感值。然而,更高的电感值会增加功率损耗。
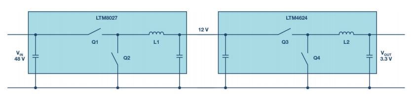
目前,非常常见且更高效的提高转换效率的电路解决方案是利用一个中间电压。图2显示了一个使用两个高效率降压调节器的级联设置。第一步是将48 V电压转换为12 V,然后在第二转换步骤中将该电压转换为3.3 V。当从48 V降至12 V时,LTM8027μModule稳压器模块的总转换效率超过92%。第二转换步骤利用 LTM4624将12 V降至3.3 V,转换效率为90%。这种方案的总转换效率为83%,比图1中的直接转换效率高出3%。

图2. 电压分两步从48 V降至3.3 V,包括一个12 V中间电压
这可能相当令人惊讶,因为3.3 V输出上的所有功率都需要通过两个独立的开关稳压器电路。图1所示电路的效率较低,原因是占空比较短,导致电感峰值电流较高。
比较单步降压架构与中间总线架构时,除转换效率外,还有很多其他方面需要考虑。
图3显示了LTC7821的电路设置。它是一款混合式同步降压型控制器,其中结合了电荷泵(用以将输入电压减半)和采用降压拓扑结构的同步降压转换器。利用它在500 kHz开关频率下将48 V转换为12 V时,转换效率超过97%。其他架构只有在低得多的开关频率时才能实现如此高效率,而且需要较大电感。

图3. 混合式降压转换器的电路设计
需要使用四个外部开关晶体管。在工作期间,电容C1和C2执行电荷泵功能。以这种方式产生的电压通过同步降压功能转换为精确调节的输出电压。为了优化EMC特性,电荷泵采用软开关操作。
电荷泵和降压拓扑的组合具有以下优点:
由于电荷泵和同步开关稳压器的优化组合,转换效率非常高。外部MOSFET M2、M3 和M4只需承受低电压。电路也很紧凑。相比单级转换器方法, 电感更小且更便宜。对于该混合式控制器,开关M1和M3的占空 比为D = 2×VOUT/VIN。对于M2和M4,占空比为D = (VIN – 2 × VOUT)/VIN。
对于电荷泵,许多开发人员假定功率输出限制约为100 mW。采用 LTC7821 的混合式转换器开关设计的电路可以提供高达25 A的输出电流。为了获得更高的性能,多个LTC7821控制器可以连成并联多相配置,并且频率同步以分担整体负载。

图4. 在500 kHz开关频率下将48 V转换为5 V的典型转换效率
图4显示了不同负载电流下48 V输入电压和5 V输出电压的典型转换效率。在大约6A时,转换效率超过90%。在13 A和24 A之间, 效率甚至高于94%。
混合式降压控制器以紧凑的形式提供非常高的转换效率。相对于采用中间总线电压的分立式两级开关稳压器设计,以及以非常低占空比工作的单级转换器,它提供了另一种有趣的解决方案。有些设计人员更喜欢级联架构,有些则喜欢混合架构。运用这两种选择,每个设计都应当能成功。了解更多
一个有趣的例子是从48 V转换到3.3 V。这样的规格不仅在信息技术市场的服务器应用中很常见,在电信应用中同样常见。
如果将一个降压转换器(降压器)用于此单一转换步骤,如图 1 所示,会出现小占空比的问题。

图1. 通过单一转换步骤将电压从48 V降至3.3 V
占空比反映导通时间(当主 开关导通时)和断开时间(当主开关断开时)之间的关系。降压转换器的占空比由以下公式定义:

当输入电压为48 V而输出电压为3.3 V时,占空比约为7%。
这意味着在1 MHz(每个开关周期为1000 ns)的开关频率下, Q1开关的导通时间仅有70 ns。然后,Q1开关断开930 ns,Q2导通。对于这样的电路,必须选择允许最小导通时间为70 ns或更短的开关稳压器。如果选择这样一种器件,又会有另一个挑战。
通常,当以非常小的占空比运行时,降压调节器的转换效率会降低。这是因为可用来在电感中存储能量的时间非常短。电感器需要在较长的关断时间内提供能量。这通常会导致电路中的峰值电流非常高。为了降低这些电流,L1的电感需要相对较大。这是由于在导通时间内,一个大电压差会施加于图1 的L1两端。
在这个例子中,导通时间内电感两端的电压约为44.7 V,开关节点一侧的电压为48 V,输出端电压为3.3 V。电感电流通过以下公式计算:

如果电感两端有高电压,在电感不变的情况下,电感中的电流会在固定时间内上升。为了减小电感峰值电流,需要选择较高的电感值。然而,更高的电感值会增加功率损耗。
目前,非常常见且更高效的提高转换效率的电路解决方案是利用一个中间电压。图2显示了一个使用两个高效率降压调节器的级联设置。第一步是将48 V电压转换为12 V,然后在第二转换步骤中将该电压转换为3.3 V。当从48 V降至12 V时,LTM8027μModule稳压器模块的总转换效率超过92%。第二转换步骤利用 LTM4624将12 V降至3.3 V,转换效率为90%。这种方案的总转换效率为83%,比图1中的直接转换效率高出3%。

图2. 电压分两步从48 V降至3.3 V,包括一个12 V中间电压
这可能相当令人惊讶,因为3.3 V输出上的所有功率都需要通过两个独立的开关稳压器电路。图1所示电路的效率较低,原因是占空比较短,导致电感峰值电流较高。
比较单步降压架构与中间总线架构时,除转换效率外,还有很多其他方面需要考虑。
图3显示了LTC7821的电路设置。它是一款混合式同步降压型控制器,其中结合了电荷泵(用以将输入电压减半)和采用降压拓扑结构的同步降压转换器。利用它在500 kHz开关频率下将48 V转换为12 V时,转换效率超过97%。其他架构只有在低得多的开关频率时才能实现如此高效率,而且需要较大电感。

图3. 混合式降压转换器的电路设计
需要使用四个外部开关晶体管。在工作期间,电容C1和C2执行电荷泵功能。以这种方式产生的电压通过同步降压功能转换为精确调节的输出电压。为了优化EMC特性,电荷泵采用软开关操作。
电荷泵和降压拓扑的组合具有以下优点:
由于电荷泵和同步开关稳压器的优化组合,转换效率非常高。外部MOSFET M2、M3 和M4只需承受低电压。电路也很紧凑。相比单级转换器方法, 电感更小且更便宜。对于该混合式控制器,开关M1和M3的占空 比为D = 2×VOUT/VIN。对于M2和M4,占空比为D = (VIN – 2 × VOUT)/VIN。
对于电荷泵,许多开发人员假定功率输出限制约为100 mW。采用 LTC7821 的混合式转换器开关设计的电路可以提供高达25 A的输出电流。为了获得更高的性能,多个LTC7821控制器可以连成并联多相配置,并且频率同步以分担整体负载。

图4. 在500 kHz开关频率下将48 V转换为5 V的典型转换效率
图4显示了不同负载电流下48 V输入电压和5 V输出电压的典型转换效率。在大约6A时,转换效率超过90%。在13 A和24 A之间, 效率甚至高于94%。
混合式降压控制器以紧凑的形式提供非常高的转换效率。相对于采用中间总线电压的分立式两级开关稳压器设计,以及以非常低占空比工作的单级转换器,它提供了另一种有趣的解决方案。有些设计人员更喜欢级联架构,有些则喜欢混合架构。运用这两种选择,每个设计都应当能成功。了解更多


220