09-11-2019
IRF830BMOS管的代替型号FHP830/FHF830适用于DC-DC电源转换器
场效应晶体管简称场效应管,是利用控制输入回路的电场效应来控制输出回路电流的一种半导体器件,具有输入电阻高、噪声小、功耗低、动态范围大、易于集成、没有二次击穿现象、安全工作区域宽等优点。例如IRF830B场效应管,应用广泛,但其价格相对昂贵,令不少电器厂家无法压低生产成本。
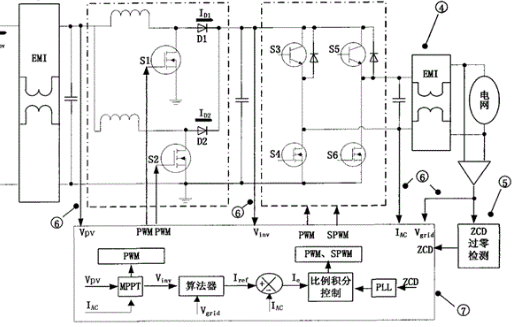
飞虹FHP830/FHF830高压MOS管在性能和质量上可以完美替代IRF830B场效应管,属于N沟道增强型高压功率场效应管。这款高压MOS管产品应用广泛,可适用于DC-AC电源转换器,DC-DC电源转换器,高压H桥PMW马达驱动,150W逆变器的后级电路。

飞虹FHP830/FHF830高压MOS管封装形式为TO-220/TO-220F/TO-251/TO-252,采用GDS的脚位排列,封装形式为TO-220/TO-220F/TO-251/TO-252,Vgs是±30V,VTH是2-4V,ID是4.5A,BVdss是500V,RDS(on)=1.5Ω(max) @VGS=10V。FHP830/FHF830场效应管具有低内阻、低电荷、低反向传输电容开关速度快的特点。
广州飞虹电子通过不断的研发新品,逐渐把MOS管产品的使用范围拓展到更多电子领域,希望为电子产品的生产厂家提供强有力的元器件保障。这款飞虹的飞虹FHP830/FHF830高压MOS管,不仅质优价廉,还能替代IRF830B场效应管。除提供免费试样外,飞虹可根据客户需求进行量身定制MOS管产品。如有需要可百度搜索“广州飞虹MOS管”或者拨打试样热线!免费试样热线:400-831-6077

飞虹FHP830/FHF830高压MOS管在性能和质量上可以完美替代IRF830B场效应管,属于N沟道增强型高压功率场效应管。这款高压MOS管产品应用广泛,可适用于DC-AC电源转换器,DC-DC电源转换器,高压H桥PMW马达驱动,150W逆变器的后级电路。

飞虹FHP830/FHF830高压MOS管封装形式为TO-220/TO-220F/TO-251/TO-252,采用GDS的脚位排列,封装形式为TO-220/TO-220F/TO-251/TO-252,Vgs是±30V,VTH是2-4V,ID是4.5A,BVdss是500V,RDS(on)=1.5Ω(max) @VGS=10V。FHP830/FHF830场效应管具有低内阻、低电荷、低反向传输电容开关速度快的特点。
广州飞虹电子通过不断的研发新品,逐渐把MOS管产品的使用范围拓展到更多电子领域,希望为电子产品的生产厂家提供强有力的元器件保障。这款飞虹的飞虹FHP830/FHF830高压MOS管,不仅质优价廉,还能替代IRF830B场效应管。除提供免费试样外,飞虹可根据客户需求进行量身定制MOS管产品。如有需要可百度搜索“广州飞虹MOS管”或者拨打试样热线!免费试样热线:400-831-6077



274